手机 : 153-8056-6799
盐城市航海泵业有限公司
联系人:单先生
手机:15380566799
地址:江苏省盐城市盐南高新区黄海街道办事处南苑社区紫金路9号
网址:www.hydby.com
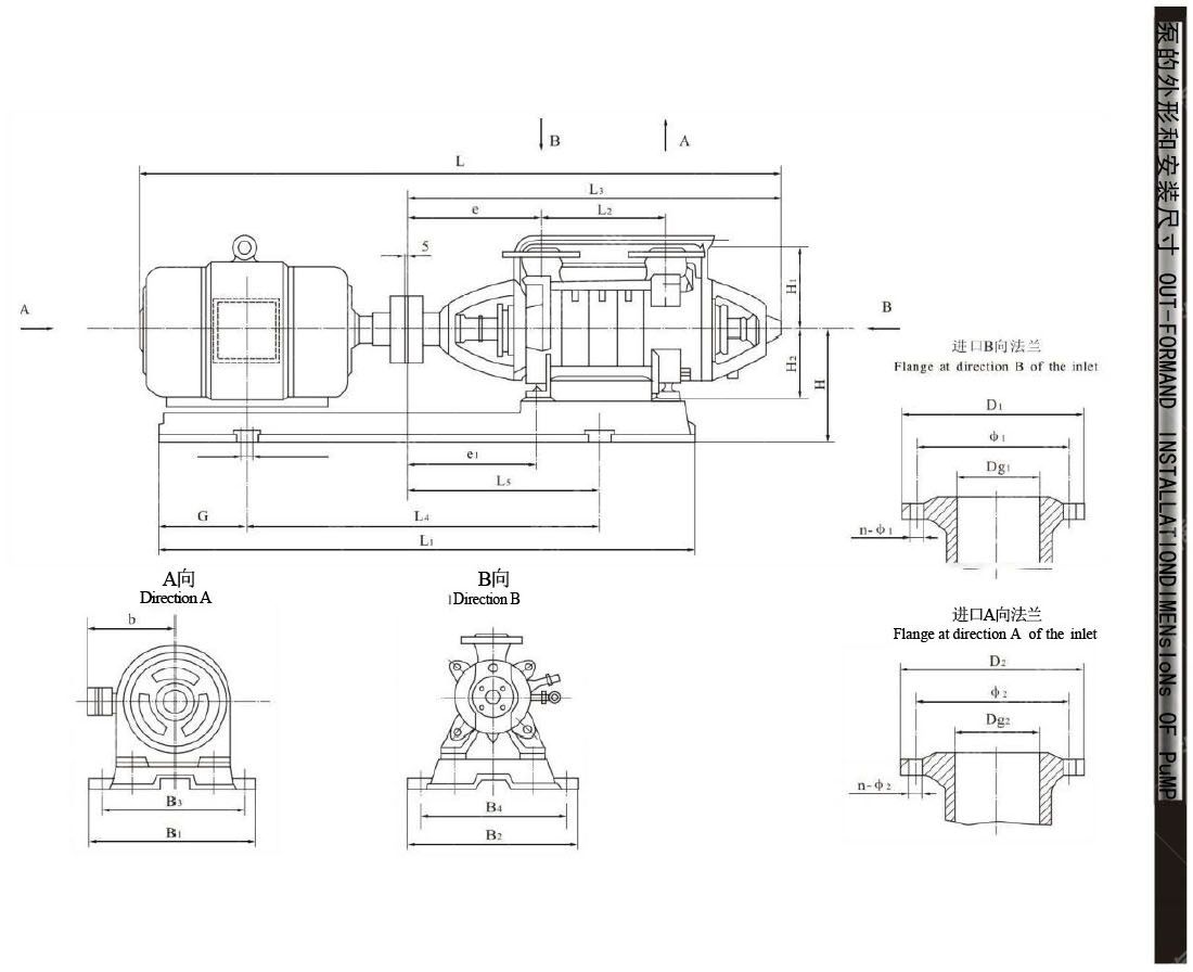
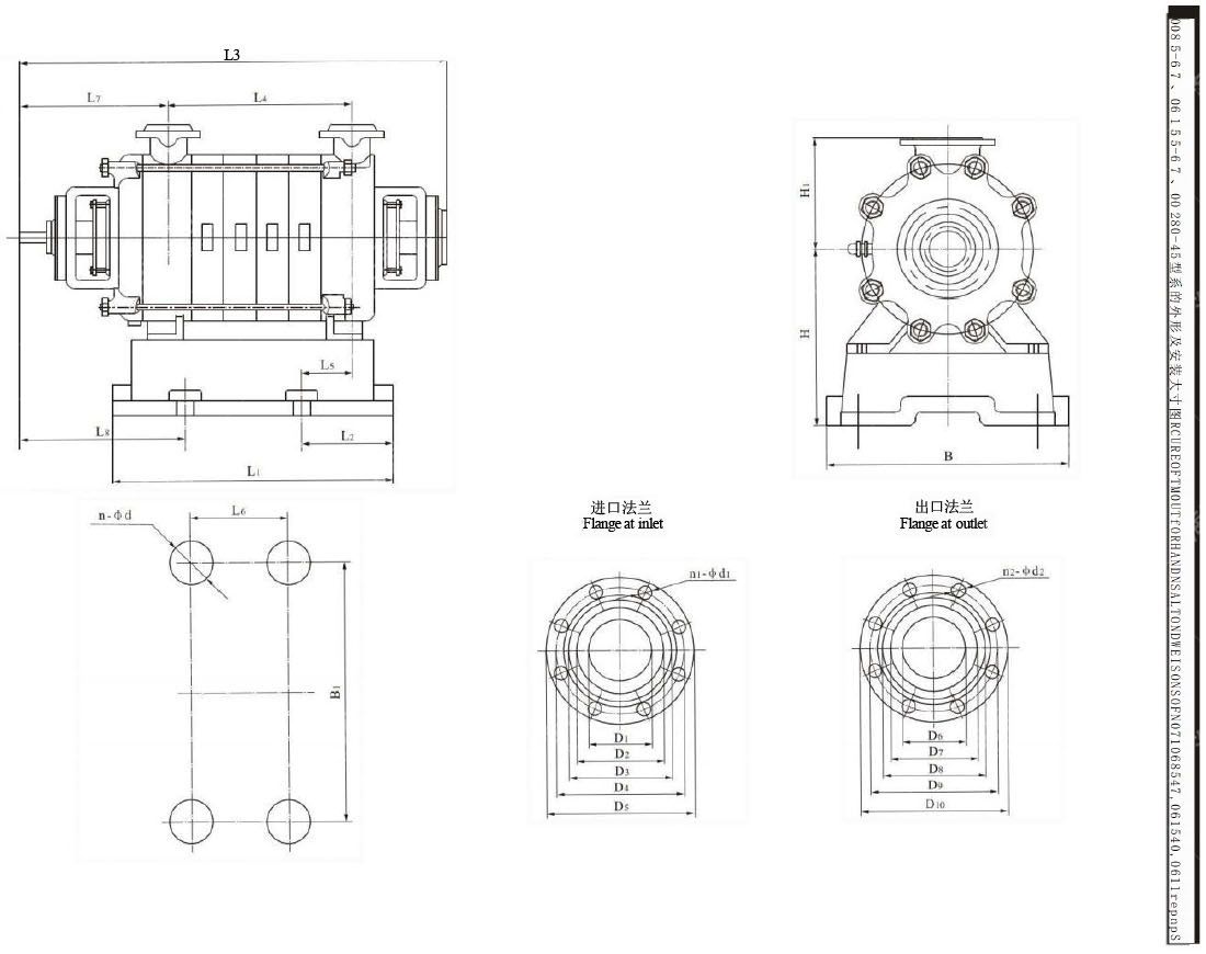
卧式离心泵系列
产品名称:DG船用锅炉给水泵
所属分类:卧式离心泵系列
发布时间:2024-08-08
浏览次数:65
产品介绍
153-8056-6799
公司名称:盐城市航海泵业有限公司
联系方式:153-8056-6799
联系地址:江苏省盐城市南苑社区紫金路9号
微信二维码
手机站二维码